電話:0713-2115858
0713-2115868
電話:0713-2115858
0713-2115868


AZD1系列特點:
.包括裝置(強力觸點打開裝置)當開關起作用時,凸爪動作強行將觸點由N.C.位置打開.
.采用單元系統,每個激勵器單元,前部方塊和主方塊可以結合起來,零件也可單獨提供,維修,更換方便.
.IEC IP67工作溫度范圍,由-30℃至+80℃(-22°F至+176°F).
產品介紹
控制輸出:6A 250V AC
6A 380V AC
5安 24V DC
壽命(*小工作次數):
機械:10的7次方
電動:2×10的5次方
工作強度(*大): 【推壓塞柱型】
(鏈接桿型) 6.37N{650gf}
4.90N{500gf}
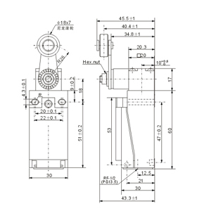
端子:螺釘端子(導管連接器:PF:1/2,PG:13.5型)
導線:橡膠絕緣軟線
安裝齒距: 21(×47)mm
(適用的螺釘) (M4螺釘)
具體產品類型:
1.主要產品
激 勵 器 零 件 編 號
PF型 PG型
滾軸桿 AZD1000 AZD1050
推壓塞桿 AZD1001 AZD1051
滾軸塞桿 AZD1002 AZD1052
滾軸臂 AZD1004 AZD1054
可調式滾軸臂 AZD1008 / AZD1058
備注:
導管尺寸類型:PF型(PF1/2),PG型(PG13.5)
2.方塊
產品名稱 零件編號
滾軸桿 AZD1800
激勵器類型 滾軸臂 AZD1804
可調滾軸臂 AZD1808
前部方塊 AZD1820
用于塞桿型 PF型 AZD1001
主方塊 PG型 AZD1051
用于臂型 PF型 AZD1104
PG型 AZD1154
3.導管連接器
產品名稱 零件編號 備注:導管連接器用來接電纜內
PF型導管連接器 AZD1830 置橡膠密封內徑(9mm和11mm)